Menu

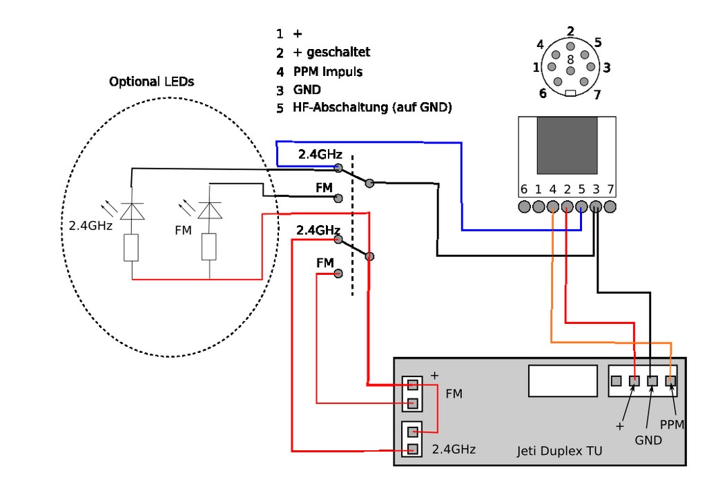
Einbau Jeti Duplex Modul in Multiplex Cockpit SX

·< Anfang | < Zurück | Übersicht | Weiter > | Ende >·

Verschaltung