Menu

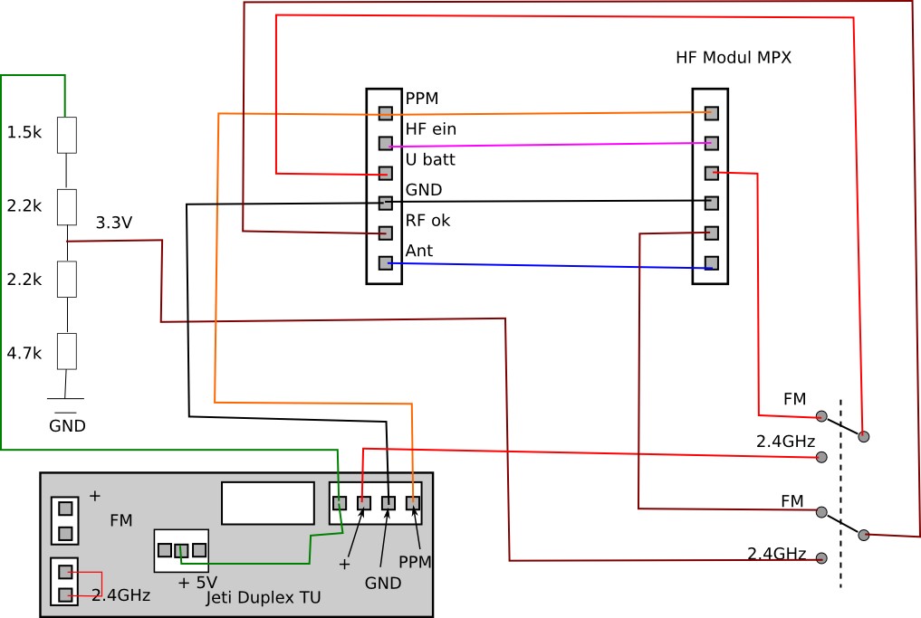
Einbau Jeti Duplex Modul in Multiplex Royal Pro 12/16

·< Anfang | < Zurück | Übersicht | Weiter > | Ende >·

Verschaltung mit Umschalter